E-mail: shim.otvod@mail.ru +7 (7252) 954 232 +7 777 744 09 79 +7 771 894 09 79
Материал корпусных деталей:ГОСТ 33259-2015
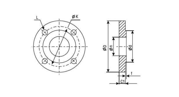
Стальные фланцы относятся к соединительной части трубопроводной системы. С их помощью присоединяется запорная и регулирующая арматура, резервуары, приборы, насосы и сосуды.
Рплоские с рабочим давлением до 2,5 МПа воротниковые с рабочим давлением до 160 МПа.
Наша компания имеет техническую возможность изготовления фланцев в не стандартном исполнении по чертежам заказчика.
Стальные фланцы относятся к соединительной части трубопроводной системы. С их помощью присоединяется запорная и регулирующая арматура, резервуары, приборы, насосы и сосуды.
Основные типы фланцев: плоские с рабочим давлением до 2,5 МПа - воротниковые с рабочим давлением до 160 МПа Наша компания имеет техническую возможность изготовления фланцев в не стандартном исполнении по чертежам заказчика.
За подробной информацией вы можете также обратиться по телефону или написать нам в WhatsApp